Архитектурный элемент для оформления фасадов зданий.
Материал: прочное полимерное фасадное покрытие, нанесенное на основе - профиль из пенополистирола.
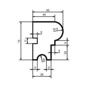
Длина: 2000 мм
Ширина: 60 мм
Высота: 75 мм
+375 29 258 33 33 МТС
+375 29 358 33 33 Velcom